Hutschienen
HStronic: Hutschienen für präzise Befestigungslösungen
Was ist eine Hutschiene?
Eine Hutschiene, auch als DIN-Schiene oder Tragschiene bezeichnet, ist eine metallene Montageschiene, die in der Elektroinstallation verwendet wird, um elektrische Geräte, Komponenten und Baugruppen in Schaltschränken, Verteilern und Schaltkästen zu montieren und zu befestigen.
Typischerweise sind Hutschienen, Tragschienen genormt und entsprechen der DIN-Norm EN 60715. Sie weisen genormte Abmessungen und Befestigungslöcher auf, um eine einfache Installation und Kompatibilität mit verschiedenen elektrischen Geräten zu gewährleisten. Diese Schienen werden üblicherweise aus Stahl oder Edelstahl gefertigt, um eine hohe Tragfähigkeit und Stabilität zu gewährleisten.
Hutschienen sind mit standardisierten Profilen versehen, entweder mit einer Hutschiene mit C-Profil (35 mm breit) oder mit einer Hutschiene mit G-Profil (32 mm breit). TS 35 bedeutet das die Hutschienen 35 mm breit sind. Die Standardhöhe beträgt 7,5 (niedrige) oder 15 mm (hohe) Ausführung. Diese Profile ermöglichen die sichere Montage von Geräten, wie Sicherungen, Leistungsschaltern, Relais, Klemmen, Steckverbindern und anderen elektrischen Komponenten.
Die Verwendung von Hutschienen erleichtert die Organisation und den Einbau von elektrischen Komponenten in Schaltschränken und Schaltkästen, was wiederum die Wartung, den Service und die Handhabung elektrischer Systeme erleichtert.
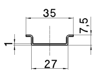
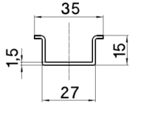
Querschnitt der DIN Hutschienen Profile TS35 und TS15:
| Ausführungen Tragschienen | Querschnitt der Profile | verfügbare Lochungen |
| TS35x7.5 | ![]() |
ungelocht Standardlänge: |
| TS35x15 | ![]() |
ungelocht, Standardlänge: |
| TS15x5.5 | ![]() |
12,2 x 4,2 mm Standardlänge:
|
Hutschienen von HStronic:
Unsere Hutschienen, Trapezschienen und C-Schienen werden gemäß den Standards der DIN EN 60715 gefertigt und sind die ideale Lösung zur Befestigung verschiedener Bauteile. Sie bieten eine breite Palette von Optionen, um den vielfältigen Anforderungen in verschiedenen Anwendungsbereichen gerecht zu werden.
Standardausführungen und Lochungen:
Unsere Hutschienen sind in verschiedenen Größen erhältlich, darunter die TS 35 x 7.5 und TS 35 x 15 in niedriger und hoher Ausführung. Die Auswahl an Standardlochungen ist ebenfalls breit gefächert und umfasst ungelochte Varianten sowie Lochungen in den Maßen 18 x 5.2, 18 x 6.2 und 25 x 5.2. Diese Vielfalt ermöglicht eine präzise Anpassung an unterschiedliche Montageanforderungen und Anwendungen.
Materialauswahl für erhöhte Widerstandsfähigkeit:
Unser Sortiment bietet Hutschienen sowohl in Stahl verzinkt als auch in Edelstahl an. Diese Materialauswahl gewährleistet eine hohe Widerstandsfähigkeit gegenüber äußeren Einflüssen und ermöglicht den Einsatz in anspruchsvollen Umgebungen, einschließlich solchen mit erhöhtem Korrosionsrisiko.
Materialauswahl bei Tragschienen:
Stahl: Stahlhutschienen sind eine kostengünstige Option und werden oft in Standardanwendungen verwendet. Sie bieten eine ausreichende Stabilität und Tragfähigkeit für viele Anwendungen und sind in verschiedenen Ausführungen erhältlich, darunter verzinkter Stahl für zusätzlichen Korrosionsschutz.
Edelstahl: Edelstahlhutschienen werden in Umgebungen eingesetzt, in denen Korrosion ein Problem darstellen könnte, wie zum Beispiel in feuchten oder aggressiven Umgebungen. Sie bieten eine erhöhte Korrosionsbeständigkeit und eine längere Lebensdauer im Vergleich zu Stahlhutschienen. Edelstahl-Hutschienen werden oft in Bereichen wie der Lebensmittelindustrie, der Pharmaindustrie oder im Außenbereich eingesetzt.
Die Auswahl des richtigen Materials hängt von den spezifischen Anforderungen Ihrer Anwendung ab, einschließlich Umgebungsbedingungen, mechanischer Belastung, Korrosionsbeständigkeit und Budget. Es ist wichtig, alle diese Faktoren zu berücksichtigen, um die optimale Lösung für Ihr Projekt zu finden.
DIN Hutschienen Stahl verzinkt
| Material: | Stahl sendzimirverzinkt |
| gefertigt nach | EN 60715 |
| Artikel Nr. | Ausführung - Norm | Abmessung (mm) | Lochung (mm) | Ausführung |
| HS-HUT-01-05-42 | TS 15 x 5.5 | 15 x 5,5 x 2000 | 12 x 4,2 | |
| HS-HUT-01 | TS 35 x 7.5 | 35 x 7.5 x 2000 | ungelocht | niedrig |
| HS-HUT-01-15-62 | TS 35 x 7.5 | 35 x 7.5 x 2000 | 15 x 6,2 | niedrig |
| HS-HUT-01-18-52 | TS 35 x 7.5 | 35 x 7.5 x 2000 | 18 x 5,2 | niedrig |
| HS-HUT-01-18-62 | TS 35 x 7.5 | 35 x 7.5 x 2000 | 18 x 6,2 | niedrig |
| HS-HUT-01-25-52 | TS 35 x 7.5 | 35 x 7.5 x 2000 | 25 x 5,2 | niedrig |
| HS-HUT-02 | TS 35 x 15 | 35 x 15 x 2000 | ungelocht | hoch |
| HS-HUT-02-15-62 | TS 35 x 15 | 35 x 15 x 2000 | 15 x 6,2 | hoch |
| HS-HUT-02-18-52 | TS 35 x 15 | 35 x 15 x 2000 | 18 x 5,2 | hoch |
| HS-HUT-02-18-62 | TS 35 x 15 | 35 x 15 x 2000 | 18 x 6,2 | hoch |
| HS-HUT-02-25-52 | TS 35 x 15 | 35 x 15 x 2000 | 25 x 5,2 | hoch |
Hutschienen DIN Edelstahl V2A 1.4301
| Material: | Edelstahl 1.4301 V2A |
| gefertigt nach: | EN 60715 |
| Artikel Nr. | Ausführung - Norm | Abmessung (mm) | Lochung (mm) | Ausführung |
| HS-HUT-01-V2A | TS 35 x 7.5 | 35 x 7.5 x 2000 | ungelocht | niedrig |
| HS-HUT-01-18-52-V2A | TS 35 x 7.5 | 35 x 7.5 x 2000 | 18 x 5,2 | niedrig |
| HS-HUT-02-V2A | TS 35 x 15 | 35 x 15 x 2000 | ungelocht | hoch |
| HS-HUT-02-18-52-V2A | TS 35 x 15 | 35 x 15 x 2000 | 18 x 5,2 | hoch |
Hutschienen Abstandshalter
für die erhöhte Montage von Tragschienen, Profilschienen, Hutschienen.
M5 Gewinde, Stahl verzinkt
| Artikel Nummer: | Höhe - Abstandshalter | Ausführung |
| HS-AB-HUT-1 | 20 mm | |
| HS-AB-HUT-2 | 48 mm | Schrägmontagewinkel |
| HS-AB-HUT-3 | 130 mm | Schrägmontagewinkel |
Kundenspezifische Optionen für optimale Anpassung:
Zusätzlich zu den Standardausführungen sind bei HStronic auch individuelle Lochungen, Bohrungen und kundenspezifische Längen möglich. Diese Flexibilität ermöglicht es unseren Kunden, die Hutschiene genau nach ihren spezifischen Anforderungen anzupassen und somit optimale Ergebnisse in ihren Projekten zu erzielen.
Zuverlässige Lösungen für verschiedene Branchen:
Die hohe Qualität, die breite Auswahl und die kundenspezifischen Optionen machen die Hutschienen von HStronic zu einer zuverlässigen Lösung für unterschiedlichste Befestigungsanforderungen in der Elektro- und Elektronikbranche.
Entdecken Sie noch heute die Vielfalt und Qualität unserer Hutschienen und vertrauen Sie auf HStronic für präzise Befestigungslösungen in Ihren Projekten.


